Recommended Products
咨询热线:
0519-82518168
电话:18922852877
邮箱:jacky@xbwsemi.com
QQ:523062883
地址:江苏省常州市金坛区儒林开发区长丰路18号
MBR10L100CT的核心结构是由正极和负极构成的反向击穿区域。在该区域,电子被加速并形成一个电场,最终导致电子从区域边缘获得足够的动能,穿过势垒并形成电流。MBR10L100CT的特点之一就是它的正向压降较低,这使得它在高电流应用中非常有用。

一、肖特基二极管MBR10L100CT规格参数
产品品牌:新邦微XBW
产品类型:肖特基二极管
产品型号:MBR10L100CT
产品描述:10A 100V
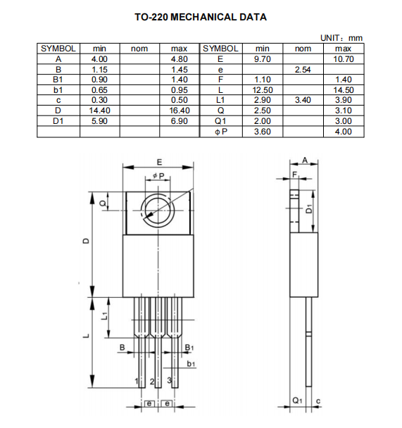
产品封装:TO-220
反向耐压(Vrrm):100V
反向电压(Vr) :100V
正向压降(Vf) :0.83V
正向电流IF(A) :10A
正向浪涌电流(Ifsm):100A
工作结温 :150℃
储存温度范围 :-55℃~+150℃
二、肖特基二极管MBR10L100CT规格书



三、肖特基二极管MBR10L100CT主要应用
肖特基二极管MBR10L100CT被广泛应用于开关电源、变频器、驱动器等电路,作高频、低压、大电流整流二极管、续流二极管、保护二极管使用,或在微波通信等电路中作整流二极管、小信号检波二极管使用。
在电源供应中,MBR10L100CT被用于整流,以将交流电转换为直流电。它还被用于电池管理,以确保电池的充电和放电效率。其应用领域还涵盖了太阳能逆变器,这是一种将太阳能变成实用电能的装置。
MBR10L100CT也是车载电子的重要组成部分。它被用于驱动汽车电子设备,比如喇叭、灯光和电动窗户等。此外,它也非常适合一些高频电路,比如射频放大器和无线电收发器。
MBR10L100CT不仅具有很高的可靠性和性能优势,而且还是一种经济实惠的选择。因此,它已被广泛应用于电子行业中的各种场景。很多制造商都生产MBR10L100CT,并将其作为核心产品之一。
总之,肖特基二极管MBR10L100CT是一种功能强大、应用广泛的电子元器件。它不仅具有很高的可靠性和性能优势,而且使用成本较低。它的使用范围涵盖了电源供应、电池管理、太阳能逆变器、车载电子和一些高频电路等各种场景,是电子行业中不可或缺的一部分。