Recommended Products
咨询热线:
0519-82518168
电话:18922852877
邮箱:jacky@xbwsemi.com
QQ:523062883
地址:江苏省常州市金坛区儒林开发区长丰路18号
肖特基二极管MBR10100CT是一种高频高效率、反向恢复时间短的半导体器件。它是一种具有低前向压降、快速恢复时间、高性能的二极管。该设备具有P型半导体和N型半导体之间的特殊结构,也称作肖特基势垒二极管。它由两个不同材料之间的结构组成,这些材料通常是金属和半导体。

一、肖特基二极管MBR10100CT规格参数
产品品牌:新邦微XBW
产品类型:肖特基二极管
产品型号:MBR10100CT
产品描述:10A 100V
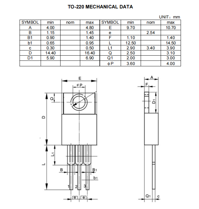
产品封装:TO-220
反向耐压(Vrrm):100V
反向电压(Vr) :100V
正向压降(Vf) :0.96V
正向电流IF(A) :10A
正向浪涌电流(Ifsm):100A
工作结温 :150℃
储存温度范围 :-55℃ to +150℃
二、肖特基二极管MBR10100CT规格书



三、肖特基二极管MBR10100CT特点
1、高压
MBR10100CT能够承受高达100伏特的反向电压,因此非常适合在高压电路中应用。
2、高效
由于其肖特基结的特殊结构,MBR10100CT具有非常低的开关损耗。这意味着它能够在工作时产生更少的热量,从而提高整个系统的效率。
3、快速
MBR10100CT的响应速度非常快,能够在极短的时间内从导通状态切换到截止状态。这使得它非常适合在高速开关电路中应用。
MBR10100CT的使用方法也非常简单。首先,在接线时需要特别注意器件的极性。具体来说,在使用之前,您应该仔细查看器件本身以及器件数据手册中的标志,以确保正确连接。如果连接错误,可能会对器件本身造成损坏或导致不良的工作效果。
其次,在使用MBR10100CT时,高压电源需要采取正确的控制方式以确保工作的稳定性和可靠性。通常情况下,需要在电路中加入适当的滤波器或稳压器来控制电压波动,从而保证MBR10100CT的正常工作。
四、肖特基二极管MBR10100CT常见应用
MBR10100CT的应用范围非常广泛。它可以用于各种不同的电子设备中,如电源供应器,开关电源,变换器,充电器等等。由于其快速响应和高效率的特点,肖特基二极管MBR10100CT已经成为许多不同机构的首选电子器件之一。
综上所述,肖特基二极管MBR10100CT是一款非常重要的电子组件,具有高压、高效、快速等优点。在使用之前,需要注意器件的极性,并采取正确的控制方式以保证正常工作。如果您需要在电路中使用肖特基二极管,MBR10100CT是一个不错的选择。