Recommended Products
咨询热线:
0519-82518168
电话:18922852877
邮箱:jacky@xbwsemi.com
QQ:523062883
地址:江苏省常州市金坛区儒林开发区长丰路18号
在电子电路的世界里,MOS 管是一位举足轻重的器件。MOS 管,全称金属-氧化物半导体场效应晶体管,是一种电压型控制器件。一般情况下,MOS 管的导通,只需要控制栅极的电压超过其开启阈值电压即可,并不需要栅极电流。既然如此,为什么我们经常会看到在 MOSFET 的电路中,栅极前串联着一个 100Ω 的电阻呢?
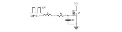
先来看一张常见的 MOS 管驱动电路图。

在这个电路中,电源为 MOS 管提供工作电压,栅极电阻就串联在驱动信号与 MOS 管的栅极之间。
从开关特性的角度来讲,在开关状态下,MOS 管在开启和关闭的瞬间,会产生一些特殊的情况。MOS 管的驱动电路中存在分布电感,这些电感与 MOS 管自身的寄生电容会形成谐振电路。当驱动信号变化时,对开关驱动信号中的高频谐波分量产生谐振,进而引起功率管输出电压的波动,也就是震荡波形。如果震荡过大,不仅会增加 MOS 管的开关损耗,还可能会引起 MOS 管被击穿,影响整个电路的稳定性和可靠性。
而串联的 100Ω 电阻此时就发挥了关键作用。它可以增大 MOS 管驱动回路中的损耗,稳定电路。
那为什么电阻值选择 100Ω 呢?这其实是一种综合权衡的结果。再看另外一张电路图

如果栅极电阻过小,虽然栅极电压能快速达到阈值电压,加速 MOS管开启,但可能引发高频震荡,增加电磁干扰和功耗;如果电阻过大,会减慢栅极电压变化速率,降低开关速度,增加开关损耗。100Ω 的电阻通常能在保证一定开关速度的同时,有效抑制高频震荡,实现开关速度与稳定性、功耗的良好平衡。
此外,MOS 管在实际工作时,虽然是电压控制,但在栅极电容充电等过程中还是会产生电流。100Ω 电阻可以限制栅极电流大小,减小栅极电容对驱动电路的负载,保护驱动电路不受过大电流的冲击。
综上所述,在 MOS 管栅极前串联一个 100Ω 的电阻,看似简单,背后却蕴含着保障电路稳定、平衡性能等诸多重要意义。