Recommended Products
咨询热线:
0519-82518168
电话:18922852877
邮箱:jacky@xbwsemi.com
QQ:523062883
地址:江苏省常州市金坛区儒林开发区长丰路18号
桥(有时也称为软开关桥)、普通整流桥以及快恢复整流桥在整流电路中扮演着不同的角色,它们之间的区别主要体现在结构、工作原理、性能特点以及应用场景等方面。

图1 贴片整流桥实物图
一、结构
软桥
主要由可控硅(晶闸管)等元器件组成,有时也包含二极管和晶体管。结构相对复杂,因为包含了有源控制器件。
普通整流桥
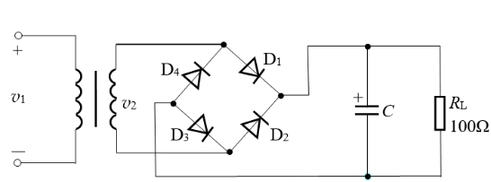
由四个二极管封装在一起,形成全桥整流电路。结构简单,易于制造和维护。
快恢复整流桥
也由四个二极管组成,但使用的是快恢复二极管。快恢复二极管与普通二极管的主要区别在于其反向恢复时间更短。
二、工作原理
软桥
通过触发电路精确控制可控硅等器件的开关状态,从而实现整流电压的变化。
由于加入了有源控制器件,软桥可以实现更精细的电流控制。
普通整流桥
利用二极管的单向导电性能,将交流电转换为直流电。
在交流电的正半周期内,两个二极管正向导通,另外两个二极管反向截止;在负半周期内,情况相反。
快恢复整流桥
工作原理与普通整流桥类似,但快恢复二极管能够更快速地清除存储电荷,从而减少反向恢复过程中产生的功耗和电磁干扰(EMI)。
三、性能特点
软桥
响应速度快,稳定性好。
由于采用了有源控制器件,可以实现更高的整流效率和更精细的电流控制。
但成本相对较高,结构复杂。
普通整流桥
成本低廉,结构简单。
可靠性高,使用寿命长。
但转换效率相对较低(与软桥和快恢复整流桥相比)。
快恢复整流桥
具有快速恢复的特点,适用于高频、高效、高可靠的电源应用。
能够减少反向恢复时间和反向恢复电荷,从而降低开关损耗和EMI。
但成本也相对较高。
四、应用场景
软桥
适用于系统要求响应速度较快的领域,如变频调节、电机控制等。
也适用于需要精细电流控制的场合。

图2 软启动电路
普通整流桥
广泛应用于低功率、低频率的电源电路中,如家用电器、LED灯等。
也适用于对成本有要求的场合。

图3 普通整流桥电路
快恢复整流桥
适用于高频、高效、高可靠的电源应用,如电源开关、变换器、扫描电路等。
也适用于对EMI敏感的应用环境。

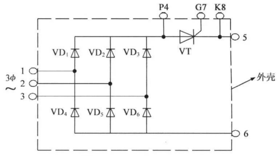
图4 三相快恢复整流桥电路